膜片壓力表
- 提供膜片壓力表,膜片壓力表規格,膜片壓力表介紹,膜片壓力表價格等資料
一.產品概述
|
YPF系列膜片壓力表適用于測量具有一定腐蝕性、非凝固或非結晶的各種流體介質的壓力或負壓。膜片壓力表耐腐蝕性能取決于膜片材料。
|
|
二.結構原理
|
膜片壓力表由測量系統(包括法蘭接頭、波紋膜片)、傳動指示機構(包括連桿、齒輪傳動機構、指針和度盤)和外殼(包括表殼和罩圈)等組成。膜片壓力表外殼為防濺結構,具有較好的密性,故能保護其內部機構免受污穢浸入。
膜片壓力表的作用原理是基于彈性元件(測量系統上膜片)變形。膜片壓力表在被測介質的壓力作用下,迫使膜片產生相應的彈性變形---位移,借助連桿組經傳動機構的傳動并予放大,由固定于齒輪上的指針逐將被測值在度盤上指示出來。
|
|
三.主要技術指示
|
|
精確度等級:2.5
使用環境溫度:-40~+70℃;相對濕度不大于90%
溫度影響:使用溫度偏離20±5℃時,其溫度附加誤差不大于0.04%/℃
工作位置:垂直安裝。
外殼防護等級:IP64
四.產品型號
|
|
|
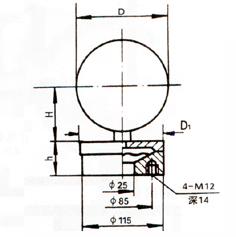
五.標度范圍、外形尺寸及重量
|
|
型號
|
標度范圍
|
承壓部
寸D1
|
表殼
外徑D
|
重量kg
|
|
YPF-100A
|
0~0.6、0~0.1、0~0.16、0~0.25、0~0.4
0~0.6、0~0.1、0~1.6、0~2.5、-0.1~0
-0.1~0.06、-0.1~0.15、-0.1~0.3、-0.1~0.5
-0.1~0.9、-0.1~1.5、-0.1~2.4MPa
|
φ85
|
φ100
|
1.6
|
YPF-100B
YPF-100B-F
|
|
φ115
|
|
YPF-150A
|
φ85
|
φ150
|
1.8
|
YPF-150B
YPF -150B-F
|
|
φ115
|
YPF-100B
YPF-100B-F
|
0~1.6、0~2.5、0~4、0~6、0~10、
0~16、0~25、0~40*
-1.6~0、-2.5~0、-4~0、-6~0、-10~0
-16~0、-25~0、-40~0*
-0.8~0.8、-1.2~1.2、-2~2、-3~3、-5~5、
-8~8、-12~12、-20~20*kPa
|
φ160
|
φ100
|
2.9
|
YPF-150B
YPF-150B-F
|
φ160
|
φ150
|
3.2
|
|
|
*0~40、-40~0、±20KPa規格承壓部尺寸D1為φ85
|
|
六.導壓系統及外殼等主要零件的材質
|
|
型號
|
名稱
|
導壓系統
|
表殼材料
|
|
膜片
|
法蘭接頭
|
密封墊圈
|
YPF-100A
150A
|
膜片壓力表
|
Cr15Ni7Mo
(PH15-7Mo)
316H(≤25KPa)
|
1Cr18Ni9
|
丁腈橡膠
|
鑄鋁
|
YPF-100B
150B
|
不銹鋼膜片壓力表
|
聚四氟乙烯
|
1Cr18Ni9
|
YPF-100B-F
150B-F
|
法蘭不銹鋼膜片壓力表
|
|
|
|
YPF-100A
|
YPF-100B
|
YPF-100B
|
YPF-150A
|
YPF-150B
|
YPF-150B-F
|
|
D
|
φ100
|
φ110
|
φ110
|
φ150
|
φ160
|
φ160
|
|
H
|
66
|
66
|
66
|
91
|
91
|
91
|
|
h
|
32
|
32
|
36
|
32
|
32
|
36
|
|
|
|
|
|
|
|
?
?

江蘇天罡儀表有限公司
聯系電話:13915196886
| 聯系人:邵經理
|
客服QQ:3350169892 郵箱:3350169892@qq.com
|
經理QQ:3350169892
|
|
|
|
地址:江蘇省淮安市金湖衡陽南路
|
江蘇天罡儀表有限公司,專業生產
電磁流量計、超聲波流量計、液體流量計 、孔板流量計、天然氣流量計等產品,全國服務電話:13915196886。您也可以點擊在線咨詢了解詳情:
