耐震壓力表
- 提供耐震壓力表,耐震壓力表規格,耐震壓力表介紹,耐震壓力表價格等資料
|
一.用途說明
|
|
耐震壓力表主要用于冶金、電力、石油、化工、輕工、機械等工業部門的壓力檢測。壓力表依靠內部充灌阻尼油和配套緩沖裝置等措施。具有良好的耐震性能。適用于被測介質的壓力有強烈脈沖變化或壓力沖擊和在工藝中經常突然卸何的場合,以及環境震動較大的場所。儀表能測氣體、液體脈動壓力的平均值。以克服介質強烈脈沖及環境震動對儀表帶來的損害,確保讀數的準確性。
不銹鋼耐震壓力表的外殼用不銹鋼材料制成(簡稱半鋼),可在有腐蝕性、振動較大的惡劣環境中使用。
|
|
二.型號命名
|
|
|
|
|
|

YTN-100Z
|

YTN-150ZT-BF
|
|
|
三.技術參數
|
|
型號
|
結構形式
|
精確度%
|
測量上限MPa
|
|
YTN-60
YTN-60ZT
YTN-60B
YTN-63B
|
徑向
軸向帶邊
徑向
軸向帶邊
|
2.5
|
0~0.1;0~0.16;0~0.25;0~0.4;0~0.6;0~1.0;
0~1.6;0~2.5;0~4.0;0~6.0;0~10;
0~16;0~25;0~40
|
|
YTN-100
YTN-100ZT
YTN-100B
YTN-103B
|
徑向
軸向帶邊
徑向
軸向帶邊
|
1.6
|
0~0.1;0~0.16;0~0.25;0~0.4;0~0.6;0~1.0;
0~1.6;0~2.5;0~4.0;0~6.0;0~10;
0~16;0~25;0~40;0~60
|
|
YTN-150
YTN-150ZT
YTN-150B
YTN-150B
|
徑向
軸向帶邊
徑向
軸向帶邊
|
0~0.1;0~0.16;0~0.25;0~0.4;0.0~6;0~1.0;
0~1.6;0~2.5;0~4.0;0~6.0;0~10;
0~16;0~25;0~40;0~60;0~100
|
|
|
使用環境溫度:-5~55℃(表殼內充甘油);
-25~55℃(表殼內充硅油)。
|
|

YZ-□
|

YZ-□T
|
|

YTN-□Z
|

YTN-□ZT
|
|
|
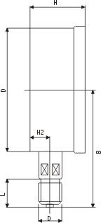
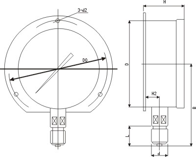
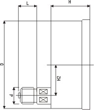
型號
|
D
|
d
|
L
|
d0
|
B
|
H
|
d2
|
H1
|
H2
|
|
YTN-60
|
φ60
|
M14×1.5
|
14
|
|
55
|
32
|
|
|
13
|
|
YTN-60ZT
|
76
|
65
|
32
|
4.5
|
27
|
0
|
|
YTN-60B
|
|
55
|
32
|
|
|
13
|
|
YTN-63B
|
76
|
65
|
32
|
4.5
|
27
|
0
|
|
YTN-100
|
φ100
|
M20×1.5
|
20
|
|
90
|
44
|
|
|
18
|
|
YTN-100ZT
|
118
|
90
|
44
|
5.5
|
27
|
30
|
|
YTN-100B
|
|
90
|
44
|
|
|
18
|
|
YTN-103B
|
118
|
90
|
44
|
5.5
|
27
|
30
|
|
YTN-150
|
φ150
|
M20×1.5
|
20
|
|
120
|
44
|
|
|
18
|
|
YTN-150ZT
|
165
|
95
|
44
|
5.5
|
27
|
55
|
|
YTN-150B
|
|
120
|
44
|
|
|
18
|
|
YTN-153B
|
165
|
95
|
44
|
5.5
|
27
|
55
|
|
|
備注:連接螺紋可按要求訂貨。
|
?
?

江蘇天罡儀表有限公司
聯系電話:13915196886
| 聯系人:邵經理
|
客服QQ:3350169892 郵箱:3350169892@qq.com
|
經理QQ:3350169892
|
|
|
|
地址:江蘇省淮安市金湖衡陽南路
|
江蘇天罡儀表有限公司,專業生產
電磁流量計、超聲波流量計、液體流量計 、孔板流量計、天然氣流量計等產品,全國服務電話:13915196886。您也可以點擊在線咨詢了解詳情:
