單法蘭液位變送器
|

| 用途 | |
|
TG-3051YB-1712單法蘭液位變送器是一種通過安裝在管道或容器上的遠傳裝置來感受被測壓力,該壓力經毛細管內的灌充硅油(或其它的液體)傳遞至變送器的主體,然后由變送器主體內的δ室和放大線路板,將壓力或差壓轉換4~20mA.DC信號輸出(參見結構原理圖)。 | |
|
| |
| 遠傳變送器主要用于以下場合的測量 | |
|
高溫下粘稠介質
易結晶的介質
帶有固體顆粒或懸浮物的沉淀性介質
強腐蝕或劇毒性介質
可消除導壓管泄漏污染周圍環境現象的發生;可免去采用隔離液時,因測量信號的不穩定,需要經常補充隔離液的繁瑣工作。
連續測量界面和密度
遠傳裝置可避免不同瞬間介質的交混,從而使測量結果真實地反映過程變化的實際情況。
衛生清潔要求很高的場合
如食品、飲料和醫藥工業中,不僅要求變送器接觸介質部位符合衛生標準,并且應便于沖洗,以防止不同批量介質的交叉污染。
| |
| 產品特點 | |
|
逐臺進行模擬“在線運行”考核,保證變送器在上限環境溫度、介質溫度和工作壓力(包括正壓或真空)下,穩定而可靠地工作。 | |
| 技術參數和性能 | |
|
輸出信號:4~20MA.DC二線制(模擬)
二線制4~20mA直流信號上疊加數字信號,由用戶選擇線性或開方輸出。(智能)
供電電源:12~45V.DC(詳見負載特性圖)
負載特性:
電源影響:<0.005% 輸出量程/V
負載影響:電源穩定時,無負載影響。
測量精度:調校量程的±0.1%,±0.2%
(標配精度為±0.2%,若選擇其他精度請在訂貨選型時注明。)
量 程 比:10:1或100比1
阻 尼:通常可在0.1~16秒之間可調,當灌充惰性液或帶遠傳裝置時,時間常數會增大。
啟動時間:<2秒,不需預熱
工作環境:環境溫度 -29~93℃(模擬放大器)
-29~75℃(數字/智能放大器)
-29~65℃(帶顯示表頭)
環境濕度 0~95%
防護特性:防護能力 IP65
防爆類型:隔爆型 Exd II BT4-6
本安型 Exia II CT5
靜壓影響:零位誤差:±0.5%zui大量程限值,對于32MPa在管道壓力下通過調零給予校正。
電磁輻射影響:0.05%zui大量程值,接受輻射頻率27~500MHz,試驗場強3V/m。
指示表(%):液晶數顯 精度±0.2%
振動影響:任何方向200Hz振動時,±0.05%/g。
安裝位置:膜片未垂直安裝,可能產生小于0.24KPa的零點誤差,但可通過調零來修正。
重 量:3.9Kg(不包括附件)
注:① 單法蘭液位變送器的工作壓力還取決于選定法蘭的規格。
② 遠傳裝置的工作溫度,由所選擇的灌充液種類確定。
③ 單法蘭液位變送器則是指一側的遠傳裝置受到溫度作用,所產生的輸出變化。
④ 靜壓和溫度影響,均是在zui大量程時測得。
⑤ GP型單法蘭液位變送器一側毛細管長度一般為1.5米,zui長不宜超過3米(特殊情況協議商定)。
| |
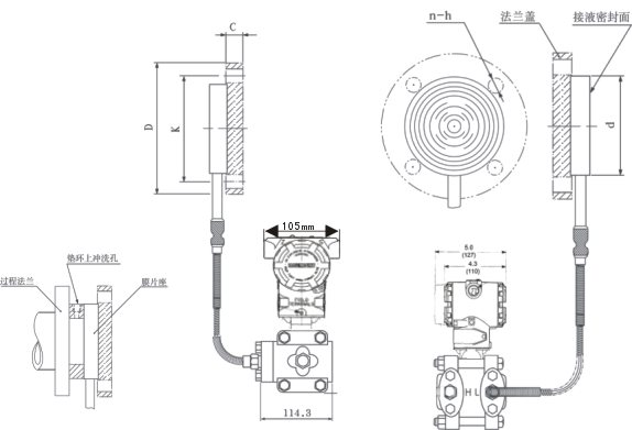
| 平法蘭(RFW)單法蘭液位變送器 | |
|
| |
| 凸法蘭(EFW)單法蘭液位變送器 | |
|
| |
| 扁平式(PFW)單法蘭液位變送器 | |
|
| |
| 遠傳裝置連接法蘭尺寸表(適用于:TG-RFW、TG-EFW和TG-PFW型) | |
| 單位:mm | |
|
法蘭規格
法蘭尺寸
墊 環
安裝尺寸
插入筒
代號
通徑
壓力
等級
外徑
D
凸徑
d
凸高
f
厚度
直徑
F
孔徑
φ
分布圓
K
孔數
n
直徑
h
直徑
B
凸出長度
L
A
E0A1
1"150Lb
108
___
5.5
20
24
66.5
27
79.4
4
15
___
___0A3300Lb
124
23
88.9
190A6600Lb1A1
11/2"150Lb
127
79
42
98.4
151A3300Lb
156
26
114.3
231A6600Lb
282A1
2"150Lb
152
92
23
92
52
120.6
19
暫供
60
50 (2")
100(4")
150(6")2A3300Lb
165
26
127
82A6600Lb
313A1
3"150Lb
191
127
27.5
127
79
152.4
4
19
773A3300Lb
210
32.5
168.3
8
233A6600Lb
37.54A1
4"150Lb
229
157
28
157
103
190.5
19
954A3300Lb
254
33.5
200
234A6600Lb
273
43.5
216
25
| |
| 螺紋安裝式(RTW)壓力變送器 | |
|
| |
| 衛生式(SSW)單法蘭液位變送器 | 螺紋連接(UCW)單法蘭液位變送器 |
|
| |
|
形 式
尺寸
(mm)
連接螺紋直徑D
M33×2
(G1")
M48×3
(G1/2")
M60×3
(G2")
六角對邊 S
36
50
63
螺紋長度 A
20
30
30
總 長 C
40
60
70
探頭直徑 d
30
44
55
膜片直徑 B
24
35
44
允許zui小量程(KPa)
1000
300
100
| |
|
注: | |
| 單法蘭液位變送器選型 | |
|
遠傳變送器是在變送器主體基礎上附加遠傳裝置的變型產品,所以其選型工作可分二步進行:首先確定變送器主體的類型(DP)、測量范圍和結構材料,然后按現場的安裝要求確定遠傳裝置類型和尺寸。由于組成灌充系統的各參數(如灌充液的工作溫度、粘度和毛細管的長度)與變送器的性能指標密切相關,因此歸入變送器主體選型范疇,不單獨列表選擇。
| |
| TG-3051GP型單法蘭液位變送器 | |
|
代號 測量范圍 (KPa)
4
5
6
7
8
9
0
0 - 6.2
0 - 31.1
0 - 117
0 - 345
0 - 1170
0 - 3450
0 - 6895
~ 37.4
~ 186.8
~ 689.5
~ 2068
~ 6895
~ 20680
~ 41370
注:1、遠傳裝置PFW、EFW、RTW、SSW、RFW可選量程代號5、6、7、8。
2、遠傳裝置UCW可選量程代號6、7、8、9、0。
| |
|
代號 輸出形式
SF
S
4~20mA.DC 數字放大器,帶4 位數字顯示
4~20mA.DC 智能放大器,并采用HART協議通訊
| |
|
代號 容室和接頭材質 隔離膜片材質
12 碳鋼 316鋼
22 316鋼 316鋼
注:一般選用代號12,在潮濕和腐蝕場合時選代號22。
| |
|
代號 灌充液種類
L 低粘度硅油 -60~150℃ ρ=0.93
S 普通硅油 -45~205℃ ρ=0.96
H 高溫硅油 -10~300℃ ρ=1.07
N 植物油 -15~200℃ ρ=0.92
W 蒸餾水 +5 ~70℃ ρ=1.0
注:代號N、W用于有嚴格衛生要求的場合,可避免灌充液泄漏對工藝介質造成污染。
| |
|
代號 毛細管長度(m)
05 1.5(5ft)
10 3.0(10ft)
注:無特殊要求時,均填寫代號05,即毛細管長1.5米。
| |
|
代號 選用件
M3 數顯指示表 4位LCD數字顯示
B1 管裝彎支架 (安裝管φ60)
B2 板裝彎支架
B3 管裝平支架 (安裝管φ60)
d 隔爆型,防爆標志ExdⅡBT4-6
I 本安型,防爆標志ExiaⅡCT5
| |
|
| |
|
TG-3051GP 7E 22 S 05 M1 B3 0~2MPa 選型舉例
| |
| TG-RFW型平法蘭式遠傳裝置 | |
|
代號 沖洗備用孔
11 無
21 有
注:法蘭通徑<2"時,均帶墊環,法蘭通徑≥2"時,有沖洗孔才帶墊環。
| |
|
代號 遠傳膜片材料
A 316L鋼
B 哈氏合金C
C 鉭
N 鎳20
V 蒙耐爾合金
H 鈦
| |
|
代號 安裝法蘭通徑
1 1"
| |
|
代號 安裝法蘭標準
A ANSI或HG20615
| |
|
代號 安裝法蘭壓力等級
1 150Lb或PN10/16bar
3 300Lb或PN25/40bar
6 600Lb或PN64bar
| |
|
代號 墊環材質 松套法蘭材質 膜片座材質
A 316鋼 304鋼 316鋼
B 哈氏合金C 304鋼 316鋼
E 316鋼 碳 鋼 316鋼
注:結構材料代號B,配用除316L鋼以外的遠傳膜片。
| |
|
| |
|
TG-RFW 21 C 3 A 3 B 選型舉例
| |
| TG-EFW型凸法蘭式遠傳裝置 | |
|
代號 安裝法蘭通徑
2 2"
3 3"
4 4"
注:選用量程代號3時,須配用通徑4"。
| |
|
代號 安裝法蘭標準
A ANSI或HG20615
| |
|
代號 安裝法蘭壓力等級
1 150Lb或PN10/16bar
3 300Lb或PN25/40bar
6 600Lb或PN64bar
| |
|
代號 遠傳膜片材質 插入筒材質 松套法蘭材質
A 316L鋼 316鋼 碳 鋼
B 哈氏合金C 316L鋼 304鋼
C 鉭 316L鋼 304鋼
注:潮濕和腐蝕場合,選用304鋼法蘭。
| |
|
代號 膜片凸出長度(mm)
2 50(2")
4 100(4")
6 150(6")
注:可供非系列長度。
| |
|
TG-EFW 3 A 1 A 8 選型舉例
| |
| TG-PFW型扁平式遠傳裝置 | |
|
代號 沖洗備用孔
11 無
12 有
注:沖洗孔位于墊環上。
| |
|
代號 遠傳膜片材料
A 316L鋼
B 哈氏合金C
C 鉭
N 鎳200
Y 蒙耐爾合金
H 鈦
| |
|
代號 安裝法蘭通徑
2 2"
3 3"
4 4"
注:選用量程代號3時,須配用通徑4"。
| |
|
代號 安裝法蘭標準
A ANSI和HG20615
| |
|
代號 安裝法蘭壓力等級
1 150Lb或PN10/16bar
3 300Lb或PN25/40bar
6 600Lb或PN64bar
注:系指安裝附件法蘭蓋的壓力等級。
| |
|
代號 墊環 法蘭蓋 膜片座
A
B
E
316鋼
哈氏合金C
316鋼
304鋼
304鋼
碳鋼
316鋼
316鋼
316鋼
注:結構材料代號B,配用除316L鋼以外的遠傳膜片。
| |
|
| |
|
TG-PFW 21 A 4 A 3 E 選型舉例
| |
| TG-RTW型螺紋安裝式遠傳裝置 | |
|
代號 沖洗孔
11 無
12 有
| |
|
代號 遠傳膜片材料
A 316L鋼
B 哈氏合金C
C 鉭
| |
|
代號 安裝法蘭材質 密封墊材 質膜片座材質
11
31
碳鋼
304鋼
聚四氟乙烯
聚四氟乙烯
316鋼
316鋼
注:結構材料代號31配用除316L鋼以外的遠傳膜片。
| |
|
代號 接液蓋
A
B
E
316鋼
哈氏合金C
碳鋼
注:接液蓋材料代號B,配用除316L鋼以外的遠傳膜片。
| |
|
代號 導壓螺孔
11
12
13
14
15
17
NPT
NPT
NPT
NPT
NPT 1
NPT 1(此時不帶沖洗孔)
| |
|
| |
|
TG-RTW 11 A 31 A 15 選型舉例
| |
| TG-SSW型衛生式遠傳裝置 | |
|
代號 插入筒
31 直徑3"(Φ70),壓力等級150LB(2MPa)
33 直徑3"(Φ70),壓力等級300LB(5MPa)
| |
|
代號 遠傳膜片材質 插入筒材質 卡箍材質
A
B316L鋼
哈氏合金C
316鋼
316鋼
碳鋼
304鋼
| |
|
代號 凸出長度(mm)
2
4
6
50(2")
100(4")
150(6")
| |
|
代號 安裝附件N
Y1
Y2
不帶
帶卡箍
帶卡箍和安裝罐
注:代號N和Y1用于備品供貨,代號Y2用于新設備安裝。
| |
|
| |
|
TG-SSW 31 A 4 Y2 選型舉例
| |
| TG-UCW型螺紋連接式遠傳裝置 | |
|
代號 O型環材料
11
聚四氟乙烯
| |
|
代號 遠傳膜片材質 探頭體材質 六角螺栓材質
A
B316L鋼
哈氏合金C
316鋼
哈氏合金C
304鋼
316鋼
| |
|
代號 凸出長度(mm)
05
10
20
12.5(0.5")
25(1")
50(2")
注:zui大凸出長度可達100mm。
| |
|
代號 連接螺紋
A
B
C
M33×2(G1")測量范圍0-1.0~42MPa
M48×3(G1 ")測量范圍0-0.3~21MPa
M60×3(G2")測量范圍0-0.1~7.0MPa
注:可選量程代號:8.9.0
注:可選量程代號:7.8.9
注:可選量程代號:6.7.8
| |
|
| |
|
TG-UCW 11 A 10 C
| |
咨詢:單法蘭液位變送器